и расчёт материалов бесплатно
на товар и монтаж в одном договоре
монтажных работ более 20 лет
Металлический стальная панель для подшивки свесов Гранд Лайн (Grand Line) Квадро Брус Pural 0,5 без перфорации — топовое покрытие Pural в версии для фронтонных свесов и глухих зон карниза: цинк 275 г/м², гарантия 50 лет, сталь 0,5 мм. Максимальная долговечность для тех, кто строит дом «на всю жизнь».
Pural 0,5 без перфорации: где применяется
Версия без перфорации — это глухая панель: она закрывает поверхность без пропуска воздуха. Применяется там, где вентиляция подкровельного пространства обеспечивается другими способами или не нужна:
- Фронтонные свесы — вертикальная плоскость фронтона, где вентиляция идёт через карнизный свес снизу ската или через слуховые окна
- Козырьки и навесы над входными группами — закрытое пространство без требований к воздухообмену
- Торцевые зоны свеса — рядом с ветровой доской, где перфорация нежелательна из соображений эстетики
- Полуоткрытые веранды и галереи — нет необходимости в продухах
Если подшиваете горизонтальный карнизный свес жилого дома — нужна перфорированная версия: Квадро Брус Pural 0,5 с полной перфорацией.
Покрытие Pural: что делает его исключительным
Pural (полиуретан + полиамид) — высший класс полимерного покрытия в линейке Grand Line:
- Цинк 275 г/м² — максимальный в серии Квадро Брус. Толстый слой цинка — это катодная защита: даже если покрытие поцарапано, цинк «жертвует» собой и не даёт стали ржаветь вокруг царапины
- 50 лет гарантии — Grand Line выдаёт письменный гарантийный документ. Для сравнения: Satin — 20 лет (в 2,5 раза меньше), Полиэстер — 10 лет (в 5 раз меньше)
- UV-стойкость: Pural — одно из самых цветостойких покрытий. На южной ориентации карниза сохраняет цвет без критического выгорания в течение всего гарантийного срока
- Стойкость к агрессивным средам: Pural применяется на объектах у моря (до 1 км от берега), в промышленных зонах с кислотными газами и повышенной влажностью
Технические характеристики
| Параметр | Значение |
|---|---|
| Производитель | Гранд Лайн (Grand Line), Россия |
| Профиль | Квадро Брус (двуламельный) |
| Покрытие | Pural (полиуретан + полиамид, глянцевое) |
| Толщина стали | 0,5 мм |
| Перфорация | отсутствует (глухая панель) |
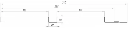
| Ширина общая / полезная | 357 / 325 мм |
| Класс цинкования | 275 г/м² |
| Гарантия от сквозной коррозии | 50 лет |
| Страна производства | Россия |
Pural без перфорации vs аналоги
| Покрытие | Перфорация | Цинк | Гарантия | Зона применения |
|---|---|---|---|---|
| Полиэстер 0,45 без перф | нет | 100 г/м² | 10 лет | хозпостройки, фронтоны недорогих домов |
| Satin 0,5 без перф | нет | 140 г/м² | 20 лет | стандартные жилые дома, фронтоны |
| Pural 0,5 без перф (этот товар) | нет | 275 г/м² | 50 лет | премиум, море, промзона, фронтоны навсегда |
Типичные объекты с Pural 0,5 без перфорации
- Дома у моря: солёный туман при цинке 275 г/м² не достигает стали в течение 50 лет — это ключевая причина выбирать именно Pural для прибрежных объектов
- Дома рядом с промышленными зонами: кислотные газы (SO₂, H₂S) ускоряют коррозию; Pural выдерживает промышленную атмосферу
- Капитальные дома «на всю жизнь»: при 50-летней гарантии не нужно планировать замену обшивки — она переживёт любой кровельный материал
- Объекты с кровлей Pural: единое покрытие кровли и фронтонного свеса — точное попадание в цвет и гарантию
Монтаж Pural 0,5 без перфорации
- Обрешётка: 40×40 или 40×60 мм, шаг 500–600 мм; для ветровых нагрузок — шаг 400–500 мм
- Крепёж: саморезы с резиновой шайбой в просечные отверстия; зазор 1–1,5 мм обязателен — тепловое расширение
- Резка: ТОЛЬКО диск по металлу, не абразив — перегрев абразивным кругом повреждает Pural на 5–10 см от кромки
- Срезы: цинкосодержащий антикоррозионный аэрозоль или грунт — немедленно; пропуск обработки снижает защиту в точке реза
- J-профиль: Grand Line Pural в тон — для единого цвета и защиты
- Хранение: горизонтально, в тени; не допускать попадания конденсата под защитную плёнку
Частые вопросы
В: 50 лет гарантии — как это подтверждается?
О: Grand Line выдаёт гарантийный документ с указанием 50 лет на сквозную коррозию для покрытия Pural. Условие — правильный монтаж и обработка срезов. Документ предъявляется при гарантийном случае.
В: Pural — это то же, что Purmat или PurPro?
О: Нет. Pural — глянцевое покрытие, 50 лет. Pural Matt — матовый вариант Pural, 50 лет. PurPro Matt — матовое покрытие с «Pro»-стойкостью к царапинам, 40 лет. PurLite Matt — облегчённый вариант, 30 лет. Это разные покрытия с разными характеристиками.
В: Почему без перфорации, если вентиляция важна?
О: Для горизонтальных карнизных свесов нужна перфорация. Для вертикальных фронтонных — перфорация не нужна: воздух в подкровельное пространство входит через нижний карнизный свес, а не через фронтон. Глухая панель на фронтоне — правильное решение.
В: Есть ли разница в уходе за Pural по сравнению с дешевыми покрытиями?
О: Уход одинаковый — никакого. Осмотр срезов раз в 2–3 года, обработка антикоррозионным аэрозолем при обнаружении ржавчины. Pural требует этого так же, как Satin. Разница — Pural дольше выдерживает до первых проблем.
В: Можно ли смешивать Pural без перфорации и Pural с перфорацией на одном объекте?
О: Да — стандартная схема: карнизные свесы с перфорацией, фронтоны без. Цвет и покрытие одинаковые, визуально — монолитный вид.
В: Где ещё применяют Pural кроме жилых домов?
О: Сельскохозяйственные объекты (коровники, птицефабрики — высокоагрессивная среда), промышленные здания у водоёмов, объекты госзаказа с требованием долговечности 50 лет. Grand Line поставляет Pural и для коммерческого строительства.
Подходит, если: объект у моря или в агрессивной среде; капитальный дом без плановой реконструкции фасада; нужна максимальная защита фронтонного свеса; кровля уже выполнена в Pural и нужно единое покрытие.
Не лучший выбор, если: нужна вентиляция — берите Pural 0,5 с перфорацией; нужна матовая поверхность — Pural Matt без перф (под заказ); бюджет ограничен — Satin 0,5 без перфорации с гарантией 20 лет; объект — хозпостройка или беседка — достаточно Полиэстер 0,45.
Смотрите также: виниловые софиты, J-, H-, F-профили.
|
Производитель
|
Гранд Лайн (Grand Line) |
|
Текстура
|
Окраска в цвет |
|
Перфорация
|
Отсутствует |
|
Профиль
|
Квадро Брус |
|
Покрытие
|
Pural |
|
Ширина общая, мм
|
357 |
|
Класс цинкования
|
275 |
|
Защитный слой Zn, г/м²
|
275 |
|
Толщина, мм
|
0,5 |
|
Вес, кг
|
4.514 |
|
Pural — полиуретановое покрытие компании SSAB, модифицированное гранулами полиамида. Покрытие обладает высокой стойкостью к атмосферным воздействиям. В основу материала входит запатентованное биотехнологическое покрытие, значительную долю которого составляет шведское рапсовое масло. Покрытие модифицировано гранулами. Показатели
Pural
Толщина стали, мм
0,5
Тип и толщина защитного покрытия, г/м²
Zn 275
Толщина полимерного слоя, мкм
50
Толщина Грунта, мм
20
Поверхность
Полуматовая
Цвет обратной стороны
Серый
Гарантия на металл, лет
30
Производитель
SSAB
|
|
|
Цвет
|
темно-серый |
Важно: минимальная сумма заказа 6000 руб.
- Закажите товар через корзину на сайте. Просто добавьте выбранные товары в корзину и оформите заказ. После этого наш менеджер свяжется с вами. Он уточнит условия заказа, поможет рассчитать нужное количество, ответит на вопросы, касающиеся качества товара и его особенностей, подскажет о вариантах оплаты и доставки. После согласования, на e-mail будет выслан счёт или ссылка для оплаты.
- Отправьте вашу заявку в свободной форме на электронную почту (см. раздел «Контакты»). Если Вы юр. лицо прикрепите к вашей заявке реквизиты для выставления счёта.
- Позвоните нашему менеджеру, получите консультацию. Он сформирует счёт, который можно будет оплатить наличным или безналичным способом.
-
Оплатить товар можно любым удобным способом:
— наличными (в офисе),
— банковской картой (на сайте и в офисе),
— переводом на банковский счёт. -
Счёт на товар оплачивается на условиях 100% предоплаты.
-
Счёт действителен три рабочих дня, если оплата за это время не поступила, то он аннулируется.
Наличными можно расплатиться только в офисе. Выдаются все утвержденные законодательством РФ документы и чеки.
- Терминалы оплаты банковскими картами установлены во всех офисах продаж.
- Возможность применения эквайринга по акционным товарам и ценам со скидками уточняется после расчёта заказа.
- К оплате принимаются карты Visa, MasterCard, UnionPay и Платёжной системы «Мир».



!Обращаем ваше внимание, что при оплате банковской картой, в счёт может быть включена комиссия банка. Подробности уточняйте у менеджера.
- После того, как вы сформируете и отправите заказ, с вами свяжется менеджер и согласует все детали.
- После согласования, на e-mail будет выслан счёт или ссылка для оплаты, по которой можно оплатить картой (VISA, MasterCard, UnionPay, Платёжная система «Мир»).
- После оплаты, товар доставят или подготовят к отгрузке.
Услуга оплаты через интернет осуществляется в соответствии с Правилами международных платёжных систем Visa, MasterCard, UnionPay и Платёжной системы «Мир» на принципах соблюдения конфиденциальности и безопасности совершения платежа, для чего используются самые современные методы проверки, шифрования и передачи данных по закрытым каналам связи. Ввод данных банковской карты осуществляется на защищенной платёжной странице АО «АЛЬФА-БАНК».
Предоставляемая вами персональная информация (имя, адрес, телефон, e-mail, номер банковской карты) является конфиденциальной и не подлежит разглашению. Данные вашей кредитной карты передаются только в зашифрованном виде и не сохраняются на нашем сервере.




! Обращаем ваше внимание, что при оплате банковской картой, в счёт может быть включена комиссия банка. Подробности уточняйте у менеджера.
Причины отказа в совершении платежа:
- Банковская карта не предназначена для совершения платежей через интернет, о чём можно узнать, обратившись в ваш Банк.
- Недостаточно средств для оплаты на банковской карте.
- Данные банковской карты введены неверно.
- Истёк срок действия банковской карты.
Оплата заказа по QR-коду или по реквизитам компании с вашего счёта в банке. Компания является плательщиком НДС.
- Самовывоз со складов заводов производителей.
- Доставка автотранспортом завода — может быть льготной или бесплатной в зависимости от комплектации.
- Доставка нашим автотранспортом до объекта или ТК.
- Доставка транспортной компанией.
Если заказ произведён и оплачен до 12 часов дня, то возможна доставка на следующий день.
- По Москве и Московской области;
- По Санкт-Петербургу и Ленинградской области;
- По Туле и Тульской области.
Доставка в другие регионы РФ через транспортную компанию («ПЭК», «Деловые линии», «Байкал-Сервис» и другие). Мы подвезём товар к терминалу.
- Стоимость доставки зависит от вида продукции, грузоподъёмности ТС (от 0,5 до 20 т), адреса и количества точек разгрузки.
- При полной комплектации объекта — льготная цена на доставку. Также льготная доставка возможна на мансардные окна и чердачные лестницы «Факро».
- Иногда производители проводят акции по бесплатной доставке.
Точную цену и условия можно уточнить у вашего менеджера.
Стоимость доставки оговаривается и оплачивается заранее.
Если отгрузка осуществляется через транспортную компанию, то оплата производится непосредственно им.
- Обращаем внимание, что разгрузку материалов мы не осуществляем!
- Возможна доставка машиной с манипулятором.
- Только при заказе монтажа кровли или фасада под ключ все заботы о доставке и разгрузке берём на себя.
- ФИО и паспортные данные лица, кто будет получать материал;
- Номер телефона контактного лица.
- Точный адрес разгрузки товара;
- ФИО и паспортные данные лица, ответственного за приём материала;
- Номер телефона контактного лица.
- Номер телефона другого человека, который сможет подтвердить доставку, при невозможности дозвониться до контактного лица.
- Для юридических лиц, оплативших доставку по безналичному расчёту, для получения необходима доверенность или круглая печать.
- Для частных лиц — достаточно подписи получателя и удостоверяющего документа.
Гарантийный период — срок, в течение которого поставщик обязуется обеспечить соответствие качества товара условиям договора и несёт ответственность перед покупателем за выявленные недостатки товара. В гарантийный период при обнаружении недостатка товара клиент имеет право потребовать от продавца или изготовителя принять меры по устранению дефекта. Продавец должен устранить недостатки, если не будет доказано, что они возникли вследствие нарушений покупателем правил эксплуатации.
Срок гарантийного периода зависит от вида продукции, закон не устанавливает ограничений по его продолжительности. Каждый производитель устанавливает свои гарантийные сроки на товары. Подробную информацию о гарантийных сроках на конкретную позицию можно посмотреть во вкладке «Характеристики товара».
Гарантийный срок на товар, предоставляемый взамен некачественного товара, устанавливается по договоренности сторон и может быть той же продолжительности, что и гарантийный срок на заменённый товар, либо меньше него.
При расторжении договора поставки, если иное не установлено соглашением сторон или законом, гарантия поставщика на товар продолжает действовать.
Срок, с которого начинает действовать гарантия на товар прописывается в договоре купли-продажи:
- С момента передачи товара потребителю, если в договоре нет уточнения. Товар считается переданным с момента его фактического поступления во владение покупателя: во время доставки, либо получен самостоятельно на складе поставщика.
- Если нет возможности установить день покупки, то гарантия идёт с момента изготовления.
- На сезонные товары гарантия идёт с момента начала сезона.
- При заказе товара из интернет-магазина гарантия начинается со дня доставки.
- При заказе доставки товара транспортной компанией гарантия начинается с момента сдачи товара перевозчику.
-
устранение недостатков товара в сертифицированных сервисных центрах;
-
обмен на аналогичный товар без доплаты;
-
обмен на похожий товар с доплатой;
-
возврат товара и перечисление денежных средств на счёт покупателя.
Если покупатель обнаружил недостатки товара после его приобретения, то он может потребовать замену у продавца. Покупатель может предъявить претензии по качеству товара в течение 25 календарных дней от даты поставки.
В случае предъявления претензии по качеству товара вызов представителя поставщика обязателен. Поставщик должен направить письменный ответ на претензию в течение 20 календарных дней с момента получения претензии. В случае если претензия признается обоснованной, поставщик обязуется заменить некачественный товар или уменьшить его стоимость.
Продавец гарантирует, что покупатель в течение 7 дней с момента приобретения товара может отказаться от товара надлежащего качества, если:
-
Товар не поступал в эксплуатацию и имеет товарный вид, находится в упаковке со всеми ярлыками, а также есть документы на приобретение товара.
-
Товар не входит в перечень продуктов надлежащего качества, не подлежащих возврату и обмену. Не подлежит обмену или возврату качественный товар, изготовленный поставщиком по индивидуальным размерам покупателя или из сырья, специально закупленного для изготовления товара, в том числе по цвету и толщине.
Покупатель имеет право обменять товар надлежащего качество на другое торговое предложение этого товара или другой товар, идентичный по стоимости или на иной товар с доплатой или возвратом разницы в цене.
Срок возврата денежных средств зависит от вида оплаты, который изначально выбрал покупатель.
-
При наличном расчёте возврат денежных средств осуществляется на кассе не позднее чем через 10 дней после предъявления покупателем требования о возврате.
-
Если был использован безналичный расчёт, зачисление стоимости товара на карту клиента происходит сразу после получения требования от покупателя.
-
При использовании электронных платёжных систем, возврат осуществляется на электронный счёт в течение 10 календарных дней.
При заказе монтажа* у нас, вы получаете гарантию на монтажные работы 5 лет. Гарантия качества выполненных работ исчисляется с момента подписания акта сдачи-приёмки. Гарантия не распространяется на ущерб, причиненный по вине заказчика, третьих лиц или тяжелыми погодными условиями.
Подрядчик также несёт ответственность за ненадлежащее качество предоставленных им материалов и оборудования.
Если вы заказываете у нас и товар и монтажные работы, то гарантия и на монтаж и на товар прописывается в одном договоре.
Это удобно и обезопасит вас от перекладывания ответственности друг на друга между продавцом и монтажной бригадой.
* В Туле и Тульской области монтажные работы компания пока не производит.
Оказываем услуги по монтажу кровли, производим ремонт и замену старой кровли. Выполняем кровельные работы от 100 кв.м.
В штате работают постоянные кровельные бригады. Мы отвечаем за результат своей работы, поэтому даём гарантию на монтажные работы 5 лет.
| Услуга | Цена за м² |
| Монтаж профнастила | от 1 200 ₽ |
| Монтаж металлочерепицы | от 1 300 ₽ |
| Монтаж гибкой черепицы | от 1 550 ₽ |
| Монтаж натуральной черепицы | от 2 000 ₽ |
| Монтаж кликфальца | от 2 450 ₽ |
| Монтаж фальцевой кровли | от 5 600 ₽ |
| Установка шаговой обрешётки | от 320 ₽ |
| Установка контробрешётки | от 325 ₽ |
| Монтаж пароизоляции с проклейкой | от 243 ₽ |
| Укладка утеплителя 200 мм | от 355 ₽ |
| Монтаж гидроизоляции | от 175 ₽ |
| Монтаж OSB | от 250 ₽ |
| Монтаж подкладочного ковра | от 175 ₽ |
| Монтаж доборных элементов кровли | от 250 ₽ |
Монтаж водосточной системы и снегозадержателей проводится только в комплексе с кровельными или фасадными работами.
| Услуга | Цена |
| Монтаж водостока (пог. м) | от 1 650 ₽ |
| Монтаж точечного снегозадержателя (шт.) | от 80 ₽ |
| Монтаж тубчатого снегозадержателя (пог. м) | от 850 ₽ |
| Монтаж кровельного ограждения (пог. м) | от 888 ₽ |
| Монтаж переходных мостиков (пог. м) | от 1 650 ₽ |
| Монтаж фасадных и кровельных лестниц (пог. м) | от 2 500 ₽ |
Точную стоимость работ можно определить только после выезда специалиста на объект и снятия замеров.
Для замера вашего строения предлагаем услугу «Выездной менеджер» — это поможет сэкономить время и средства из‑за неверно рассчитанного материала.
Также, без предварительного замера мы не сможем подписать договор на монтаж кровли. Есть очень много нюансов, которые будут влиять на итоговую стоимость монтажных работ.
- Выезд специалиста по Москве и Московской области.
- Консультация по выбору материала для кровли, предоставление образцов продукции и каталогов.
- Замер и фотофиксация объекта. По возможности, замер проводим с квадрокоптера. Вы получите полный план кровли со всеми размерами, картографическую съемку и 3D модель крыши. При необходимости используем тепловизор (за дополнительную плату).
- Составление полной сметы на работу и расчёт материалов.
При заказе монтажа или материала у нас, дополнительно доплачивать за раскладку материала не нужно.
После замера мы даём полную смету, включающую стоимость материалов и монтажных работ под ключ. Этого достаточно, для принятия решения о монтаже. Для сторонних бригад раскладка материала — дополнительно оплачиваемая услуга.
* Для частных домовладений стоимость замера не зависит от размера здания и количества работ. Для административных зданий и юридических лиц стоимость рассчитывается индивидуально.
Для заказа услуги «Замер объекта» и получения более детальной информации свяжитесь с нашими менеджерами или заполните форму ниже.
Наши объекты с этим товаром
работа: 321 500 ₽