
и расчёт материалов бесплатно

на товар и монтаж в одном договоре

монтажных работ более 19 лет
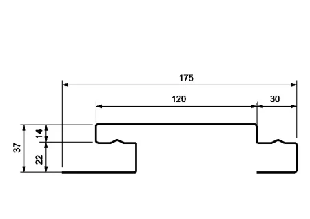
- Назначение:
- используется как боковая часть составного угла;
- может использоваться как самостоятельный элемент в обрамлении не утопленных проемов здания.
Фасадные декоры от Grand Line универсальны и могут использоваться как для фасадных панелей, так и для сайдинга.
Другие доборные элементы для фасада показаны на рисунке:
Производитель
|
Grand Line |
Текстура
|
Окраска в цвет |
Серия
|
Classic/Я-фасад |
Материал
|
ПВХ |
Длина, мм
|
3000 |
Тип фасада
|
Пластиковая фасадная панель |
Доборные элементы фасада
|
Планка наборная (наличник) |
Цвет
|
коричневый |
Важно: минимальная сумма заказа 6000 руб.
- Закажите товар через корзину на сайте. Просто добавьте выбранные товары в корзину и оформите заказ. После этого наш менеджер свяжется с вами. Он уточнит условия заказа, поможет рассчитать нужное количество, ответит на вопросы, касающиеся качества товара и его особенностей, подскажет о вариантах оплаты и доставки. После согласования, на e-mail будет выслан счёт или ссылка для оплаты.
- Отправьте вашу заявку в свободной форме на электронную почту (см. раздел «Контакты»). Если Вы юр. лицо прикрепите к вашей заявке реквизиты для выставления счёта.
- Позвоните нашему менеджеру, получите консультацию. Он сформирует счёт, который можно будет оплатить наличным или безналичным способом.
-
Оплатить товар можно любым удобным способом:
— наличными (в офисе),
— банковской картой (на сайте и в офисе),
— переводом на банковский счёт. -
Счёт на товар оплачивается на условиях 100% предоплаты.
-
Счёт действителен три рабочих дня, если оплата за это время не поступила, то он аннулируется.
Наличными можно расплатиться только в офисе. Выдаются все утвержденные законодательством РФ документы и чеки.
- Терминалы оплаты банковскими картами установлены во всех офисах продаж.
- Возможность применения эквайринга по акционным товарам и ценам со скидками уточняется после расчёта заказа.
- К оплате принимаются карты Visa, MasterCard, UnionPay и Платёжной системы «Мир».
!Обращаем ваше внимание, что при оплате банковской картой, в счёт может быть включена комиссия банка. Подробности уточняйте у менеджера.
- После того, как вы сформируете и отправите заказ, с вами свяжется менеджер и согласует все детали.
- После согласования, на e-mail будет выслан счёт или ссылка для оплаты, по которой можно оплатить картой (VISA, MasterCard, UnionPay, Платёжная система «Мир»).
- После оплаты, товар доставят или подготовят к отгрузке.
Услуга оплаты через интернет осуществляется в соответствии с Правилами международных платёжных систем Visa, MasterCard, UnionPay и Платёжной системы «Мир» на принципах соблюдения конфиденциальности и безопасности совершения платежа, для чего используются самые современные методы проверки, шифрования и передачи данных по закрытым каналам связи. Ввод данных банковской карты осуществляется на защищенной платёжной странице АО «АЛЬФА-БАНК».
Предоставляемая вами персональная информация (имя, адрес, телефон, e-mail, номер банковской карты) является конфиденциальной и не подлежит разглашению. Данные вашей кредитной карты передаются только в зашифрованном виде и не сохраняются на нашем сервере.
! Обращаем ваше внимание, что при оплате банковской картой, в счёт может быть включена комиссия банка. Подробности уточняйте у менеджера.
Причины отказа в совершении платежа:
- Банковская карта не предназначена для совершения платежей через интернет, о чём можно узнать, обратившись в ваш Банк.
- Недостаточно средств для оплаты на банковской карте.
- Данные банковской карты введены неверно.
- Истёк срок действия банковской карты.
Оплата заказа по QR-коду или по реквизитам компании с вашего счёта в банке. Компания является плательщиком НДС.
- Самовывоз со складов заводов производителей.
- Доставка автотранспортом завода — может быть льготной или бесплатной в зависимости от комплектации.
- Доставка нашим автотранспортом до объекта или ТК.
- Доставка транспортной компанией.
Если заказ произведён и оплачен до 12 часов дня, то возможна доставка на следующий день.
- По Москве и Московской области;
- По Санкт-Петербургу и Ленинградской области;
- По Туле и Тульской области.
Доставка в другие регионы РФ через транспортную компанию («ПЭК», «Деловые линии», «Байкал-Сервис» и другие). Мы подвезём товар к терминалу.
- Стоимость доставки зависит от вида продукции, грузоподъёмности ТС (от 0,5 до 20 т), адреса и количества точек разгрузки.
- При полной комплектации объекта — льготная цена на доставку. Также льготная доставка возможна на мансардные окна и чердачные лестницы «Факро».
- Иногда производители проводят акции по бесплатной доставке.
Точную цену и условия можно уточнить у вашего менеджера.
Стоимость доставки оговаривается и оплачивается заранее.
Если отгрузка осуществляется через транспортную компанию, то оплата производится непосредственно им.
- Обращаем внимание, что разгрузку материалов мы не осуществляем!
- Возможна доставка машиной с манипулятором.
- Только при заказе монтажа кровли или фасада под ключ все заботы о доставке и разгрузке берём на себя.
- ФИО и паспортные данные лица, кто будет получать материал;
- Номер телефона контактного лица.
- Точный адрес разгрузки товара;
- ФИО и паспортные данные лица, ответственного за приём материала;
- Номер телефона контактного лица.
- Номер телефона другого человека, который сможет подтвердить доставку, при невозможности дозвониться до контактного лица.
- Для юридических лиц, оплативших доставку по безналичному расчёту, для получения необходима доверенность или круглая печать.
- Для частных лиц — достаточно подписи получателя и удостоверяющего документа.
Гарантийный период — срок, в течение которого поставщик обязуется обеспечить соответствие качества товара условиям договора и несёт ответственность перед покупателем за выявленные недостатки товара. В гарантийный период при обнаружении недостатка товара клиент имеет право потребовать от продавца или изготовителя принять меры по устранению дефекта. Продавец должен устранить недостатки, если не будет доказано, что они возникли вследствие нарушений покупателем правил эксплуатации.
Срок гарантийного периода зависит от вида продукции, закон не устанавливает ограничений по его продолжительности. Каждый производитель устанавливает свои гарантийные сроки на товары. Подробную информацию о гарантийных сроках на конкретную позицию можно посмотреть во вкладке «Характеристики товара».
Гарантийный срок на товар, предоставляемый взамен некачественного товара, устанавливается по договоренности сторон и может быть той же продолжительности, что и гарантийный срок на заменённый товар, либо меньше него.
При расторжении договора поставки, если иное не установлено соглашением сторон или законом, гарантия поставщика на товар продолжает действовать.
Срок, с которого начинает действовать гарантия на товар прописывается в договоре купли-продажи:
- С момента передачи товара потребителю, если в договоре нет уточнения. Товар считается переданным с момента его фактического поступления во владение покупателя: во время доставки, либо получен самостоятельно на складе поставщика.
- Если нет возможности установить день покупки, то гарантия идёт с момента изготовления.
- На сезонные товары гарантия идёт с момента начала сезона.
- При заказе товара из интернет-магазина гарантия начинается со дня доставки.
- При заказе доставки товара транспортной компанией гарантия начинается с момента сдачи товара перевозчику.
-
устранение недостатков товара в сертифицированных сервисных центрах;
-
обмен на аналогичный товар без доплаты;
-
обмен на похожий товар с доплатой;
-
возврат товара и перечисление денежных средств на счёт покупателя.
Если покупатель обнаружил недостатки товара после его приобретения, то он может потребовать замену у продавца. Покупатель может предъявить претензии по качеству товара в течение 25 календарных дней от даты поставки.
В случае предъявления претензии по качеству товара вызов представителя поставщика обязателен. Поставщик должен направить письменный ответ на претензию в течение 20 календарных дней с момента получения претензии. В случае если претензия признается обоснованной, поставщик обязуется заменить некачественный товар или уменьшить его стоимость.
Продавец гарантирует, что покупатель в течение 7 дней с момента приобретения товара может отказаться от товара надлежащего качества, если:
-
Товар не поступал в эксплуатацию и имеет товарный вид, находится в упаковке со всеми ярлыками, а также есть документы на приобретение товара.
-
Товар не входит в перечень продуктов надлежащего качества, не подлежащих возврату и обмену. Не подлежит обмену или возврату качественный товар, изготовленный поставщиком по индивидуальным размерам покупателя или из сырья, специально закупленного для изготовления товара, в том числе по цвету и толщине.
Покупатель имеет право обменять товар надлежащего качество на другое торговое предложение этого товара или другой товар, идентичный по стоимости или на иной товар с доплатой или возвратом разницы в цене.
Срок возврата денежных средств зависит от вида оплаты, который изначально выбрал покупатель.
-
При наличном расчёте возврат денежных средств осуществляется на кассе не позднее чем через 10 дней после предъявления покупателем требования о возврате.
-
Если был использован безналичный расчёт, зачисление стоимости товара на карту клиента происходит сразу после получения требования от покупателя.
-
При использовании электронных платёжных систем, возврат осуществляется на электронный счёт в течение 10 календарных дней.
При заказе монтажа* у нас, вы получаете гарантию на монтажные работы 5 лет. Гарантия качества выполненных работ исчисляется с момента подписания акта сдачи-приёмки. Гарантия не распространяется на ущерб, причиненный по вине заказчика, третьих лиц или тяжелыми погодными условиями.
Подрядчик также несёт ответственность за ненадлежащее качество предоставленных им материалов и оборудования.
Если вы заказываете у нас и товар и монтажные работы, то гарантия и на монтаж и на товар прописывается в одном договоре.
Это удобно и обезопасит вас от перекладывания ответственности друг на друга между продавцом и монтажной бригадой.
* В Туле и Тульской области монтажные работы компания пока не производит.
Производим монтаж вентилируемого фасада с разными вариантами наружной отделки: сайдинг, мягкая плитка, профнастил, фасадные панели. Выполняем фасадные работы от 100 м².
В штате работают постоянные монтажные бригады. Мы отвечаем за результат своей работы, поэтому даём гарантию на монтаж 5 лет.
Услуга | Цена за м² |
Монтаж металлического, винилового сайдинга | от 750 ₽ |
Монтаж фасадных панелей | от 800 ₽ |
Монтаж стенового профлиста | от 850 ₽ |
Монтаж мягкой фасадной плитки | от 1050 ₽ |
Монтаж деревянной подконструкции | от 275 ₽ |
Монтаж металлической подконструкции | от 400 ₽ |
Укладка утеплителя | от 305 ₽ |
Монтаж гидро-ветрозащиты | от 175 ₽ |
Монтаж ОСП | от 250 ₽ |
Монтаж комплектующих (пог. м) | от 630 ₽ |
Подшив свесов | от 900 ₽ |
Монтаж цоколя | от 650 ₽ |
Точную стоимость работ можно определить только после выезда специалиста на объект и снятия замеров.
Для замера вашего строения предлагаем услугу «Выездной менеджер» — это поможет сэкономить время и средства из‑за неверно рассчитанного материала.
Также, без предварительного замера мы не сможем подписать договор на монтаж фасада. Есть очень много нюансов, которые будут влиять на итоговую стоимость монтажных работ.
- Выезд специалиста по Москве и Московской области.
- Консультация по выбору материала для фасада, предоставление образцов продукции и каталогов.
- Замер и фотофиксация объекта. Важно определить, что и как можно крепить в стену, выдержит ли стена и не рассыпется ли при монтаже. Получите полный план фасада с размерами и рекомендации по выбору и подходящему способу крепления материалов.
- Составление полной сметы на работу и расчёт материалов.
При заказе монтажа или материала у нас, дополнительно доплачивать за раскладку материала не нужно.
После замера мы даём полную смету, включающую стоимость материалов и монтажных работ под ключ. Этого достаточно, для принятия решения о монтаже. Для сторонних бригад раскладка материала — дополнительно оплачиваемая услуга.
* Для частных домовладений стоимость замера не зависит от размера здания и количества работ. Для административных зданий и юридических лиц стоимость рассчитывается индивидуально.
Для заказа услуги «Замер объекта» и получения более детальной информации свяжитесь с нашими менеджерами или заполните форму ниже.